安德路专业从事工业自动化设备研发、经营、服务于一体的企业。
地址:宁波姜山镇明光路1660号8楼
总部客服热线:0574-87066055
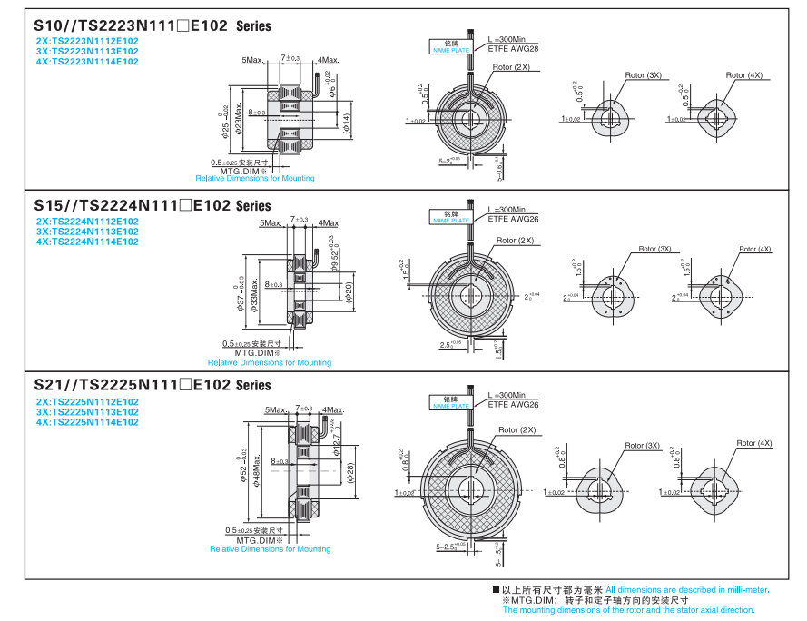
超溥结构 由于Singlsyn旋转变压器的结构极薄,因此安装结构极小。 高旋转速度 最大为30,000 min-1 (rpm) 感应绝对位置和速度 通过R/D的连接变换器或Smartcoder器感应绝对位置和速度, 它能转换Singlsyn模拟输出信号成数字式位置(角度)信号, 位置信号通过电回路转换成绝对位置信号。 低价格 相对于普通旋变部件用量的1/10,低价格。
上一篇:TBL-iII系列伺服电机
下一篇:超扁平绝对式角度传感器(端子型)